| |
 |
LEM传感器 |
| |
|
 |
NR薄膜电容器 |
|
|
|
| |
大功率储能电容器 |
|
 |
此部分产品适用于光伏逆变器、风电变流器、高压变频器、高频开关电源、不间断电源UPS、应急电源EPS、直流稳压电源、无功 |
| 补偿器SVG、有源电力滤波器APF、电动汽车、机车和船舶的牵引、推进和刹车系统等滤波、储能等场合。 |
| 产品采用自愈式金属化安全膜,树脂灌封,干式结构设计,产品性能稳定,安全可靠;等效串联电阻小,能承受较大的纹波电流。 |
| 可接受定制,可联合设计开发。 |
| |
|
| |
大功率储能电容器 DKMJ6系列图片 |
| |
 |
 |
| |
|
| |
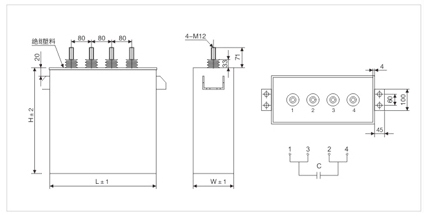
大功率储能电容器 DKMJ6系列型号 |
| 尺寸 (mm) |
纹波电流(A) |
ESR |
ESL |
规格 |
| L |
W |
H |
45℃ |
60℃ |
| 485 |
160 |
320 |
335 |
205 |
<1mΩ |
<100nH |
9100/1100V DC |
| 485 |
160 |
390 |
359 |
220 |
<1mΩ |
<100nH |
8000uF/1100V DC |
| 485 |
160 |
455 |
384 |
235 |
<1mΩ |
<100nH |
9500uF/1200V DC |
| 485 |
160 |
455 |
334 |
204 |
<1mΩ |
<100nH |
9600uF/1200V DC |
| 485 |
160 |
590 |
371 |
227 |
<1mΩ |
<100nH |
9300uF/1500V DC |
| 410 |
135 |
530 |
371 |
227 |
<1mΩ |
<100nH |
3800uF/1800V DC |
| 410 |
135 |
610 |
394 |
241 |
<1mΩ |
<100nH |
3500uF/2000V DC |
| 410 |
225 |
665 |
400 |
278 |
<1mΩ |
<100nH |
4350uF/2500V DC |
| 410 |
225 |
530 |
400 |
254 |
<1mΩ |
<100nH |
2500uF/3000V DC |
| 880 |
115 |
740 |
400 |
357 |
<1mΩ |
<100nH |
6000uF/3000V DC |
| 410 |
225 |
805 |
400 |
301 |
<1mΩ |
<100nH |
1920uF/4000V DC |
| 485 |
225 |
930 |
400 |
340 |
<1mΩ |
<100nH |
1800uF/5000V DC |
| 大功率机车、船舶和电站等储能、滤波场合 |
| 330 |
174 |
330 |
299 |
183 |
<1mΩ |
<100nH |
11400uF/800V DC |
| 485 |
160 |
390 |
314 |
193 |
<1mΩ |
<100nH |
11000uF/1100V DC |
| 485 |
160 |
450 |
384 |
235 |
<1mΩ |
<100nH |
13000uF/1100V DC |
| 485 |
160 |
525 |
334 |
217 |
<1mΩ |
<100nH |
16200uF/1100V DC |
| 485 |
160 |
525 |
354 |
217 |
<1mΩ |
<100nH |
11400uF/1200V DC |
| 485 |
160 |
590 |
371 |
227 |
<1mΩ |
<100nH |
12800uF/1200V DC |
| 280 |
175 |
590 |
200 |
238 |
<1mΩ |
<100nH |
20000uF/1200V DC |
| 400 |
175 |
735 |
300 |
248 |
<1mΩ |
<100nH |
2*20000uF/1200V DC |
| 460 |
175 |
880 |
500 |
|
<1mΩ |
<100nH |
2*27500uF/1200V DC |
| 460 |
175 |
880 |
400 |
|
<1mΩ |
<100nH |
2*29500uF/1200V DC |
| 460 |
185 |
880 |
300 |
|
<1mΩ |
<100nH |
2*32500uF/1200V DC |
| 485 |
160 |
660 |
389 |
|
<1mΩ |
<100nH |
10600uF/1500V DC |
| 485 |
160 |
725 |
400 |
|
<1mΩ |
<100nH |
11600uF/1500V DC |
| |
这些数据仅仅是产品的主要信息,如需要了解产品具体规格技术 ,请您联系我们0755-28469263,或发邮件至:kim@darom.cn |
| 热门关键词: LEM传感器 霍尔传感器 汽车传感器 NRCHEV 850uF 800 薄膜电容器 汽车定制电容器 |
|